Esquemas elétricos do Peugeot 205
-
GMT
- Sem Habilitação
- Mensagens: 1
- Registrado em: Qua Fev 28, 2018 2:47 pm
- Nome: ^GMT^
- Modelos Citroën: tô a pé!
Esquemas elétricos do Peugeot 205
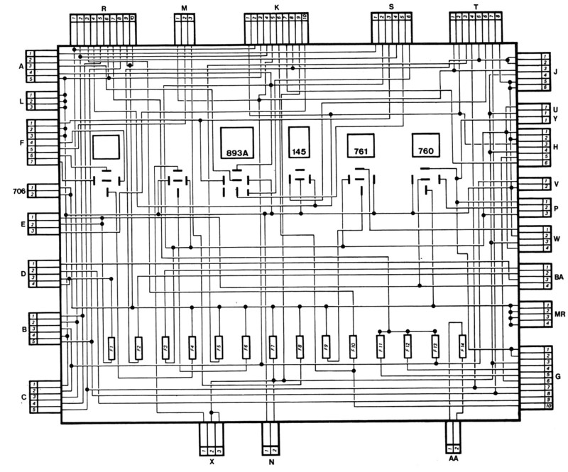
Esquema interno da caixa de fusíveis
Desenho da caixa com seus nomes
